manufacturer, distributor and supplier of industrial hydraulic products and components. Our passion for excellence has kept us continually moving to the top of this space.

Check Valves

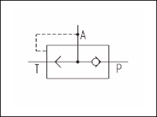
Logical 3 Way Check Valves:

Type Q max. l/min (GPM) P max. bar (PSI) Connection Product information Download
VJL2-304 15 (3.96) 210 (3046) M22x1,5 HA 5007

Logical Valves

Type Q max. l/min (GPM) P max. bar (PSI) Connection Product information Download
LV1-043 8 (2.11) 500 (7252) G1/8 HA 5008
LV2-043 8 (2.11) 500 (7252) M12x1,5 HA 5028
SH1F-A3 20 (5.28) 250 (3626) 3/4-16 UNF HA 5029
LV1-063/S 40 (10.57) 320 (4641) M22x1,5 HA 5015
LV1-063/M 40 (10.57) 320 (4641) M22x1,5 HA 5030

Check Valves

Type Q max. l/min (GPM) P max. bar (PSI) Connection Product information Download
VJO1-06/S 20 (5.28) 320 (4641) D06 (NG06) HA 5004
SC1F-A3 20 (5.28) 350 (5076) 3/4-16 UNF HA 5016
VJO1-04/M 30 (7.93) 320 (4641) D02 (NG4) HA 5012
SC1F-A2 40 (10.57) 420 (6092) 3/4-16 UNF HA 5010
MVJ3-06 50 (13.21) 350 (5076) D03 (NG6) HA 5018
VJO1-10/S 80 (21.13) 350 (5076) D05 (NG10) HA 5307
MVJ3-10 100 (26.42) 350 (5076) D05 (NG10) HA 5020
SC1F-B2 120 (31.7) 420 (6092) 7/8-14 UNF HA 5017
VJ3 400 (105.67) 320 (4641) NG06,08,10,16,20,25,30 HA 5009

Check Valves, One-Way Throttling

Type Q max. l/min (GPM) P max. bar (PSI) Connection Product information Download
VJS3 250 (66.04) 320 (4641) NG06, 10, 16, 20 HA 5019

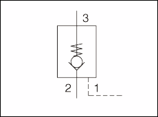
Pilot Operated Check Valves Pilot to Open

Type Q max. l/min (GPM) P max. bar (PSI) Connection Product information Download
RJV1-05 20 (5.28) 250 (3626) M24x1,5 HA 5111
VJR1-04/M 20 (5.28) 320 (4641) D02 (NG4) HA 5023
SC5H-Q3/I 30 (7.93) 350 (5076) M20x1,5 HA 5217
VJR2-06/M 45 (11.89) 320 (4641) D03 (NG6) HA 5024
2RJV1-06/M 60 (15.85) 320 (4641) D03 (NG6) HA 5021
SC5H-R3/I 90 (23.78) 350 (5076) M27x1,5 HA 5218
VJR3-10/M 140 (36.98) 350 (5076) D05 (NG10) HA 5035
SCD5H-R3/I 90 (23.78) 350 (5076) M27x1,5 HA 5219
VJR2-10/M 100 (26.42) 320 (4641) D05 (NG10) HA 5025
SC5H-S3/I 120 (31.7) 350 (5076) 1-5/16-12 UNF HA 5220

Pilot Operated Check Valves Pilot to Close

Type Q max. l/min (GPM) P max. bar (PSI) Connection Product information Download
SCC5H-Q3/I 30 (7.93) 350 (5076) M20x1,5 HA 5221
SCC5H-S3/I 120 (31.7) 350 (5076) 1-5/16-12 UNF HA 5222

Please call this number for contact